
Galvanized lock washer with 2 tabs for securing nuts and bolts.
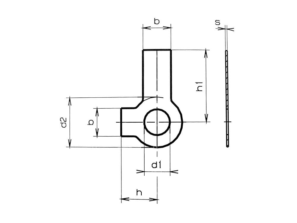
Take the following measurements from figure 2:
| Ø inside | 10.5 mm |
| Ø outside | 21 mm |
| Material | Steel |
| Surface | galvanized (blue) |
| Width | 10 mm |
| Total length | 13 mm |
| Number of lobes | 2 pcs |
| Thickness | 0.75 mm |
| Thread size | M10 |
| Length 2 | 22 mm |
| Width 2 | 10 mm |
Explore categories from Screws & fastener sets
Moped fans also bought
BERU spark plug connector / 1 kΩ interference suppressed
Ø cable: 5 mm · Ø cable: 7 mm · Manufacturer: BERU · Material: Sheet metal (steel) · Color: silver · Spark plug socket: M4 · Cable available: No · Suppressed: Yes · Resistance: 1000 Ω · Subcategory: Spark plug connector · Pony OEM number: A2099 · Sachs OEM no.: 0265 100 00
EUR 10.30
swiing® revival gearbox cover gasket | Sachs 503 AAL, ABL, AB, AC, ADV, 2AL, 2BL (A1888)
Manufacturer: swiing® revival parts · Material: Sealing paper · Color: sand-colored · Number of components: 1 pcs · Width: 130 mm · Thickness: 0.35 mm · Total length: 200 mm · Number of fixing points: 6 pcs · Pony OEM number: A1888 · Sachs OEM no.: 0250 150 000
EUR 6.35
swiing® revival sprocket mounting M12x1 (nut & spring washer) | Sachs / Hercules
Drive: External hexagon · Manufacturer: swiing® revival parts · Material: Steel · Surface: burnished · Surface: galvanized (blue) · Nut type: Hexagon nut 0.5D · Height: 5 mm · Thread type: MF12x1 (fine pitch thread) · Strength class: 8 · Pony OEM number: A1720 · Pony OEM number: A4249 · Sachs OEM no.: 0242 124 000 · Sachs OEM no.: 0244 189 110
EUR 4.60



